Kinetic Energy - Turning Muscle Power into Usable Electricity
Feb 12, 2018 18:30 · 605 words · 3 minutes read
For our Kinetic Energy assignment, with which I collaborated with Arnav Wagh, it was time to build something that would turn muscle power into usable electricity.
Selecting the Motor
To power the lights, we would force a dc gear motor to turn and tap into the electricty it generates. We chose a 127 RPM Mini Econ Gear Motor from ServoCity, because it had optimal RPM and a low torque of 9,602 kgf-cm.

The 127 RPM dc gear motor we used from Servo City
We would use a .770" Pattern Clamping Hub which would attach to the shaft and rotate to generate torque:

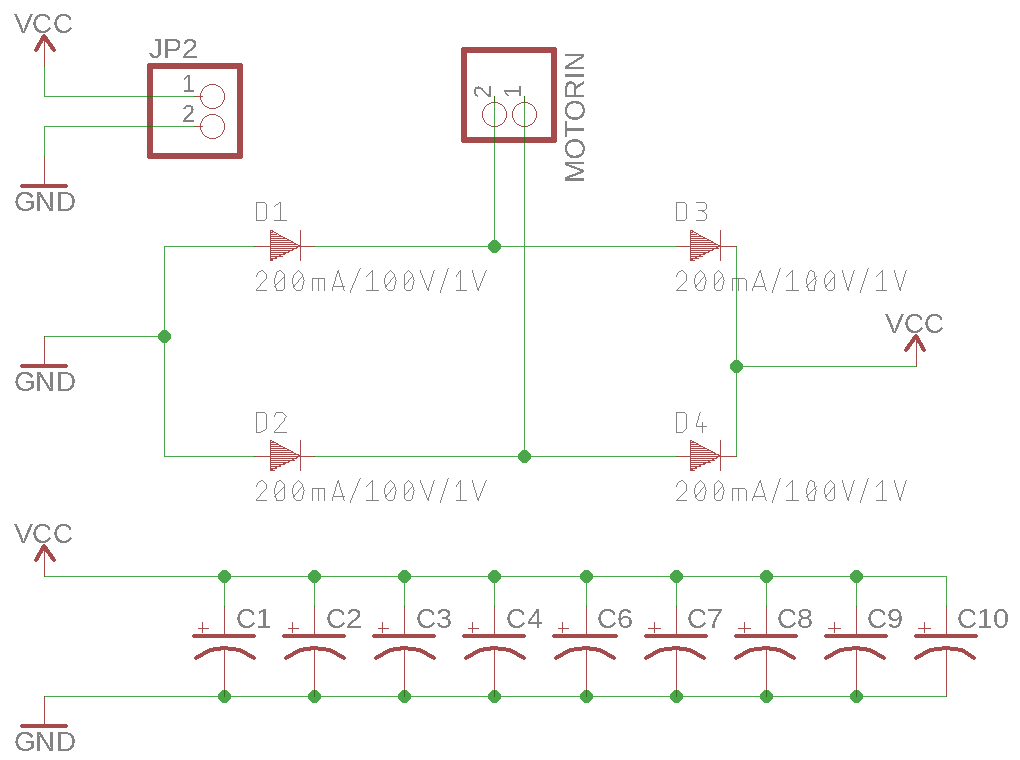
Prototyping the Circuit
Next it was time to build a circuit that would simulate the power generation. We used 4 diodes as a bridge rectifier so that no matter which way the motor was turned, the current would flow through the circuit in the same direction. We used a bunch of capacitors in parallel to smooth out the current and store energy when the wheel stopped turning, enabling the lights to stay on. We used a 12v white analog LED strip since it has the same voltage rating as the DC Gear Motor.
We were able to test the circuit successfully. Turning the motor in either direction generated power to turn on the lights:
Fabricating the Device
Our original plan was to swing a rope with a weight attached to the end around the motor, causing it to turn. However, this proved to not be enough torque to turn the shaft, causing the rope to tangle. Arnav came up with another design, a wheel attached to the end of a rod, and lights attached around the wheel. The shaft would be coupled to the rod, and the motor itself would be located inside the wheel; this would enable the output power lines of the motor to be connected to the circuit without a slip ring.
We converted this 3d model into slices, and cut it on the CNC Router:
Then we glued it all together and let it sit overnight:
Fabricating the Circuit
Next it was time to build the circuit that could withstand a series of rapid rotational turns. We designed something simple in EagleCad:
Then fabricated it on the Othermill:
This created a compact, durable circuit that could fit many capacitors and be easily mounted to the wheel.
A hole was left in the middle for the wires that would go to the motor to pass through.
We tested the circuit with an external 12v power supply, and also tested reversing the polarity of the power supply to see
if the bridge rectification worked, and were glad to see that it did.
Putting it All Together
After coating the wheel with black spraypaint, it was time to assemble everything and test it all.